TQ-885系列在线式密度传感器是北京世通科创技术有限公司推出的一款基于静压式原理的高精度密度测量仪表。
TQ-885系列在线式密度传感器是一种连续在线测量液体密度的仪表,主要用于工业过程自动化控制。根据介质密度变化产生相应的4-20mA 模拟信号,同时可经过转换输出数字信号便于远程校准与监控。根据工业过程的不同。
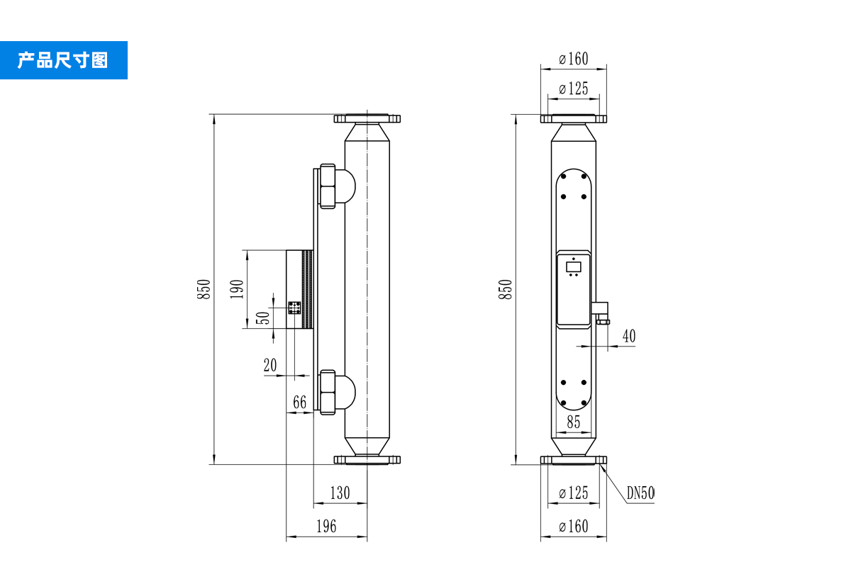
TQ-885系列在线式密度传感器可广泛应用于现场管道上、敞口或密闭储存罐等工业现场,可连续、实时在线测量管道或罐体的液体密度。
TQ-885系列在线式密度传感器是北京世通科创技术有限公司推出的一款基于静压式原理的高精度密度测量仪表。
TQ-885系列在线式密度传感器是一种连续在线测量液体密度的仪表,主要用于工业过程自动化控制。根据介质密度变化产生相应的4-20mA 模拟信号,同时可经过转换输出数字信号便于远程校准与监控。根据工业过程的不同。
TQ-885系列在线式密度传感器可广泛应用于现场管道上、敞口或密闭储存罐等工业现场,可连续、实时在线测量管道或罐体的液体密度。
◆ 直接密度读数
◆ 适用于流动或静止液体
◆ 适用于罐体或管道密度测量
◆ 两线制采用4-20mA/Hart输出
◆ 采用一体化结构,无活动部件
◆ 标准的工业型和卫生型过程连接
◆ 仪表内置温度传感器,提供精确的温度补偿
◆ 工厂多点线性修正,精度更高
◆ 现场重新校准:无需标准参考源、无需实验校准、无过程中断
◆ 变送器采用数字化显示,界面更友好
性能指标 | 测量范围 | 0-3g/cm³ |
精度等级 | ±0.001 g/cm³ | |
12个月内稳定性 | 0.021×10-3 g/cm³ | |
环境温度影响(每10℃) | 0.003×10-3 g/cm³ | |
静压影响(1kgf/cm) | 0.001×10-3 g/cm³该系统误差通过在静压时校准予以消除 | |
电源影响 | ±0.005 %校准量程/伏 | |
电磁干扰影响 | 设计满足IEC801和欧洲标准EN50081EN50082 | |
功能描述 | 温度 | Pt1000(-40-3000℃) |
输出信号 | 两线制采用4-20mA/Hart输出 | |
电源 | 传感器供电:24V DC转换器供电:24V DC或220V AC | |
指示 | LCD就地显示 | |
温度范围 | 环境:-40-85℃过程:-40-100℃正常工作:-40-85℃ | |
启动时间 | 0.2秒 | |
湿度范围 | 0-100%RH | |
温度补偿 | 自动 Pt1000 | |
物理指标 | 过程连接 | 卫生型:316L SST卡箍连接工业型:316L SST法兰连接 |
触液部分 | 316L、哈氏合金、钽膜片可选 | |
非触液部分 | 填充液:硅油(DC200/350,DC200/20,DC704)Syltherm800或Glycerin/水 | |
结构形式 | 管道或罐体安装方式 |