TQ-889-UN系列在线式浓度传感器是本公司推出的一款基于振动式原理的浓度测量仪表。专为应对苛刻的过程和贸易交接应用需要而设计。作为一种只需要少量维护的坚固而可靠的测量型仪表,它们能够提供完全一体化的 “连接即用,免维护”式浓度测量。
TQ-889-UN系列在线式浓度传感器可广泛应用于现场管道上、敞口或密 闭储存罐等工业现场,可连续、实时在线测量管道或罐体的液体浓度。用于以浓度做为产品控制参数的过程控制,或用于固体百分比或浓度百分比等其他质量控制参数的指示器。
TQ-889-UN系列在线式浓度传感器是本公司推出的一款基于振动式原理的浓度测量仪表。专为应对苛刻的过程和贸易交接应用需要而设计。作为一种只需要少量维护的坚固而可靠的测量型仪表,它们能够提供完全一体化的 “连接即用,免维护”式浓度测量。
TQ-889-UN系列在线式浓度传感器可广泛应用于现场管道上、敞口或密 闭储存罐等工业现场,可连续、实时在线测量管道或罐体的液体浓度。用于以浓度做为产品控制参数的过程控制,或用于固体百分比或浓度百分比等其他质量控制参数的指示器。
◆ 适用于流动或静止液体
◆ 适用于管线和罐体密度测量
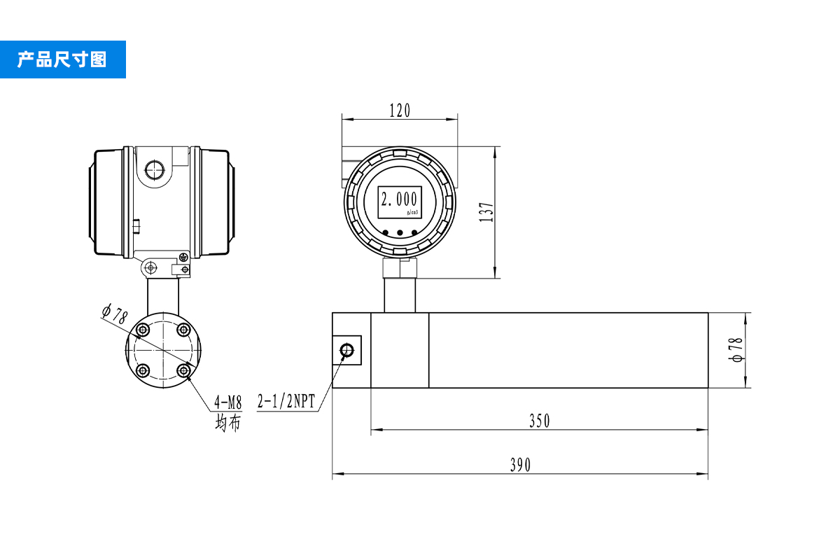
◆ 四线制采用4-20mA/Hart输出或RS485
◆ 采用一体化结构,无活动部件
◆ 标准的工业型和卫生型过程连接
◆ 适用范围广,材料适合大多数腐蚀性应用场合
| 性能指标 | 测量范围 | 0– 3 g/cm³ |
| 密度分辨率 | 0.001 g/cm³ | |
| 重复性 | 优于0.01% | |
| 最大密度量程 | 3 g/cm³ (范围可随精确度降低而扩展) | |
| 精确度 | 0.001 g/cm³ | |
| 工作温度 | 标准:10 ℃-60 ℃ (50 ℉-140 ℉) 可选:0 ℃-95 ℃ (32 ℉-203 ℉) | |
| 最大温度差 | ΔTmax = 50 ℃ (90 ℉)(更高温差请联系工厂) | |
| 工作压力 | 范围: 0 – 0.5 Mpa (更高请联系工厂) | |
| 频率输出 | 通常. 0.3 kHz - 3.0 kHz | |
| 功率需求 | 电压: 24 VDC,电流: 50 – 90 mA. | |
| 流量 | 最小: 0.1136 升/分钟= 0.0068 m³/h | |
| 最大: 9.092 升/分钟= 5.455 m³/h | ||
| 推荐: 0.9092 升/分钟= 0.0545 m³/h | ||
| 温度变送器 | 3线制热电阻100Ω Pt 1000 | |
| 材料 | 标准接液零件:316L不锈钢、哈氏合金C22、石英 非接液零件:铝合金,不锈钢等 | |
| 重量 | 7kg |