TQ-889-U系列在线式密度(浓度)传感器是本公司推出的一款基于振动式原理的密度(浓度)测量仪表。专为应对苛刻的过程和贸易交接应用需要而设计。作为一种只需要少量维护的坚固而可靠的测量型仪表,它们能够提供完全一体化的 “连接即用,免维护”式密度测量。
TQ-889-U系列在线式密度(浓度)传感器可广泛应用于现场管道上、敞口或密 闭储存罐等工业现场,可连续、实时在线测量管道或罐体的液体密度。用于以密度做为产品控制参数的过程控制,或用于固体百分比或浓度百分比等其他质量控制参数的指示器。
TQ-889-U系列在线式密度(浓度)传感器是本公司推出的一款基于振动式原理的密度(浓度)测量仪表。专为应对苛刻的过程和贸易交接应用需要而设计。作为一种只需要少量维护的坚固而可靠的测量型仪表,它们能够提供完全一体化的 “连接即用,免维护”式密度测量。
TQ-889-U系列在线式密度(浓度)传感器可广泛应用于现场管道上、敞口或密 闭储存罐等工业现场,可连续、实时在线测量管道或罐体的液体密度。用于以密度做为产品控制参数的过程控制,或用于固体百分比或浓度百分比等其他质量控制参数的指示器。
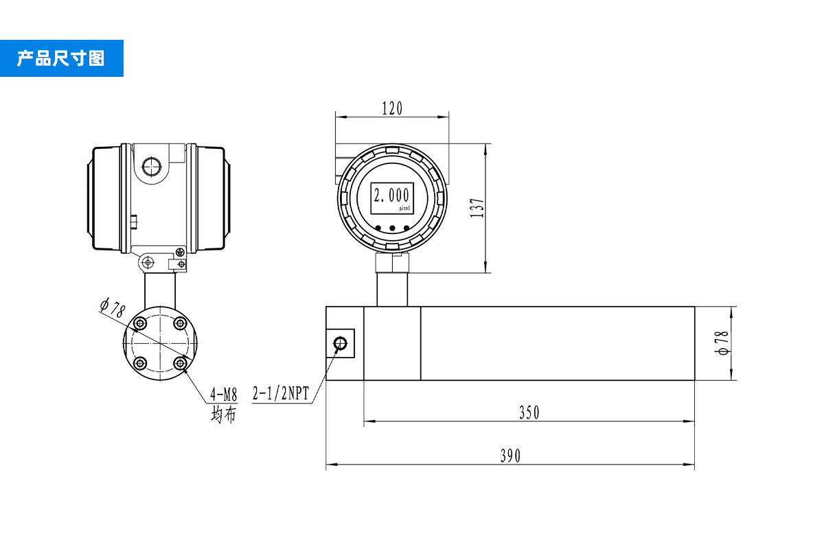
◆ 适用于流动或静止液体
◆ 适用于管线和罐体密度测量
◆ 四线制采用4-20mA/Hart输出或RS485
◆ 采用一体化结构,无活动部件
◆ 标准的工业型和卫生型过程连接
◆ 适用范围广,材料适合大多数腐蚀性应用场合
l 制糖业与酿酒业:榨取果汁、糖浆、葡萄汁等,酒精GL度、乙烷乙醇界面等奶制品业:炼乳、乳糖、乳酪、干乳酪、乳酸等
l 建筑、采矿:调浆、煤(洗煤)、钾碱、盐水、磷酸盐、化合物、石灰石、铜等炼油:润滑油、芳香剂、燃油、植物油等
l 食物加工:番茄汁、果汁、植物油、淀粉乳、果酱等
l 纸浆与造纸业:黑浆、绿浆、纸浆清洗、蒸发器、白浆、苛性碱等化工:电池(硫酸浓缩、配比)酸、烧碱、尿素、清洁剂、聚合物、乙二醇、氯化钠、氢氧化钠等
l 石化:液化天然气、油气水洗、煤油、润滑油、油/水界面等饮料加工:啤酒、软饮料、果酒、速溶咖啡、麦芽等
l 制药:浓缩、发酵、蒸发、配比等
| 性能指标 | 测量范围 | 0– 3 g/cm³ |
| 密度分辨率 | 0.001 g/cm³ | |
| 重复性 | 优于0.01% | |
| 最大密度量程 | 3 g/cm³ (范围可随精确度降低而扩展) | |
| 精确度 | 0.001 g/cm³ | |
| 工作温度 | 标准:10 ℃-60 ℃ (50 ℉-140 ℉) 可选:0 ℃-95 ℃ (32 ℉-203 ℉) | |
| 最大温度差 | ΔTmax = 50 ℃ (90 ℉)(更高温差请联系工厂) | |
| 工作压力 | 范围: 0 – 0.5 Mpa (更高请联系工厂) | |
| 频率输出 | 通常. 0.3 kHz - 3.0 kHz | |
| 功率需求 | 电压: 24 VDC,电流: 50 – 90 mA. | |
| 流量 | 最小: 0.1136 升/分钟= 0.0068 m³/h | |
| 最大: 9.092 升/分钟= 5.455 m³/h | ||
| 推荐: 0.9092 升/分钟= 0.0545 m³/h | ||
| 温度变送器 | 3线制热电阻100Ω Pt 1000 | |
| 材料 | 标准接液零件:316L不锈钢、哈氏合金C22、石英 非接液零件:铝合金,不锈钢等 | |
| 重量 | 7kg |